The PineTime smartwatch has been a popular choice among wearable technology enthusiasts for its affordability and feature-rich capabilities and is opensource.
For for more information you can consult the Wiki or the official Pine64 page.
https://wiki.pine64.org/index.php/PineTime
One of the main problems I found in PineTime was the lack of resources, essentially the amount of memory available, the Nrf52832 only has 64 Kb of Ram, and also the lcd refresh rate limited to 8Mhz, this limits the firmware development a bit.
So I thought of creating a card that would replace the current one using something more powerful.

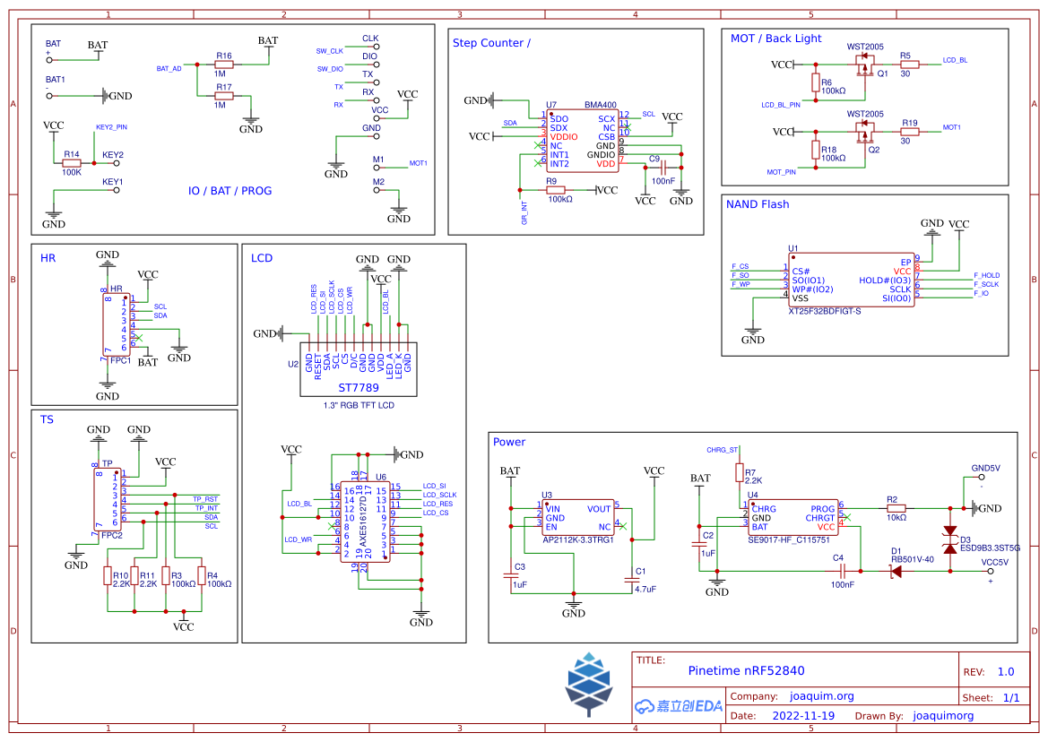
This is the new replacement board:
- Improved Processor: The new board comes with an updated processor nRF52840 that offers better performance and energy efficiency compared to the previous one. This means that users can enjoy a more responsive and smoother user experience.
- Larger Memory: The new board boasts an increased memory size, allowing for more apps and data storage.
The new processor has 256 Kb of memory and 1Mb of storage. - Perfect replacement of the older board.
- New location of the programing pinouts, for better access.
- Two extra pins for debug, serial rs232

Schematics
https://oshwlab.com/joaquimorg/pinetime40


Components used :
- SOC
- SPI Flash
- Power Management
- Battery Management – SE9017-HF
- Linear Voltage Regulator – AP2112K-3.3TRG1
- Sensors
- Touchpad
- LCD
Board design


Board manufacturing
